致力于成為全球領先的
自動化解決方案平臺


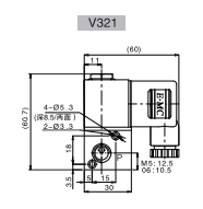
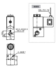
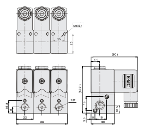
訂貨舉例:N系列電磁閥,標準閥體,標準先導加節能線圈,二位三通,單頭控制,接管口徑為1/8,DC24V,接線盒式,G牙,2連。其ERP編碼為:NM231-06E4-2F
| 型號 | NM231-M5 | NM231-06 | NPM231-06 | V321-M5 | V321-06 | VP321-06 | |
| 工作介質 | 經40 μm濾芯過濾的干燥壓縮空氣 | ||||||
| 動作型式 | 直動式 | ||||||
| 流通孔徑(mm) | 1.2 | ||||||
| 接管口徑 | M5 | G 1/8 | M5 | G 1/8 | |||
| 潤滑 | 不需要 | ||||||
| 工作壓力(MPa) | 0~0.8 | ||||||
| 最大耐壓力(MPa) | 1.2 | ||||||
| 工作溫度(℃) | -5~60 | ||||||
| 電壓范圍 | -15%-+10% | ||||||
| 耗電量 | DC24V:D.7W AC220V:0.9VA AC110V:1.4VA | AC:4VA DC:3W | AC:7VA DC:6.5W | ||||
| 絕緣等級 | F級 | ||||||
| 保護等級 | lP65 (DIN40050) | ||||||
| 最高動作頻率* | 10次/s | ||||||
| 密封件材質 | NBR | ||||||
| 勵磁時間 | 0.05s以下 | ||||||
| 重量(g | 141 | 138 | 141 | 138 | |||

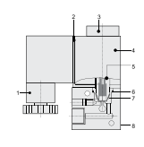
| 序號 | 名稱 |
| 1 | 接線盒 |
| 2 | 接線盒墊片 |
| 3 | 螺母 |
| 4 | 線圈 |
| 5 | 先導頭組件 |
| 6 | O型圈 |
| 7 | 復位彈簧 |
| 8 | 閥體 |
| 零件名稱 | 材質 |
| 閥體 | 鋁合金 |
| 接線盒 | 工程塑料 |
| 接線盒墊片 | NBR |
| 先導頭組件 | 純鐵+銅+不銹鋼+NBR |
| 固定螺帽 | POM+碳鋼 |
| 線圈 | 銅線外包塑料 |








